お問い合わせ
ここからサイト内主要メニューです
ここから本文です
概略図面作成用に、次の図面および計算書をダウンロードしていただけます。 皆様の業務にご利用下さい。なお、詳細なデータや検討が必要な場合は、お問合せくださるようお願いします。
SMW+山留標準組立図(zip)
SP+H+山留組立標準図 (交差部直ボルト)(zip)
鋼製桟橋組立図(zip)
20HA(zip)
20D-3(zip)
20P(zip)
KJ-80(zip)
20KP(zip)
25HA(zip)
25D-3(zip)
25CN(zip)
25P(zip)
FLP(zip)
25VP(zip)
25FVP(zip)
25JS(zip)
KJ-100(zip)
KOP510(zip)
KOPL510(zip)
NOP050(zip)
U-25(zip)
30HA(zip)
30D-3(zip)
30CN(zip)
30P(zip)
30VP(zip)
30VP-30(zip)
30FVP(zip)
30JS(zip)
KJ-150(zip)
KOP820(zip)
KOPL820(zip)
NOP080(zip)
NOPG200(zip)
H-30(zip)
U-30(zip)
30HB(zip)
35HA(zip)
35D-3(zip)
35CN(zip)
35P(zip)
35VP(zip)
35VP-30(zip)
35FVP(zip)
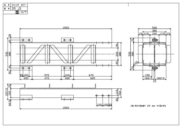
35JS(zip)
KJ-200(zip)
KOP1230(zip)
KOPL1230(zip)
NOP120(zip)
NOPG300(zip)
H35(zip)
U-35(zip)
35HB(zip)
40HA(zip)
40D-3(zip)
40CN(zip)
40P(zip)
40VP(zip)
40VP-30(zip)
40FVP(zip)
40JS(zip)
KJ-300(zip)
KOP2040(zip)
KOPL2040(zip)
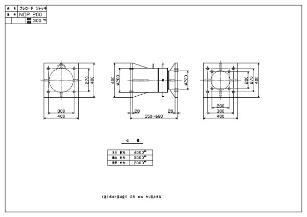
NOP200(zip)
NOPG400(zip)
H-40(zip)
U-40(zip)
40HB(zip)
50HA(zip)
50D-3(zip)
50CN(zip)
50P(zip)
50LP(zip)
50JS(zip)
KOP4060(zip)
KOPL4060(zip)
NOP300(zip)
NOPG600(zip)
U50(zip)
50HB(zip)
U-300(zip)
U-350(zip)
U-400(zip)
U-450(zip)
SB-350(zip)
SB-400(zip)
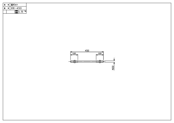
SB-450(zip)
SB-500(zip)
SB-600(zip)
SB-650(zip)
SB-750(zip)
SB-850(zip)
SB-950(zip)
SB-1150(zip)
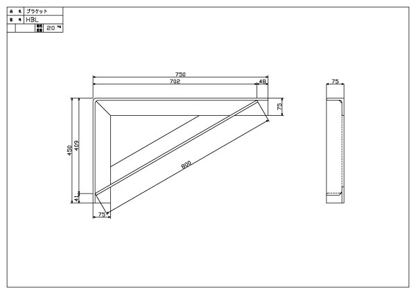
HBL(zip)
SBL(zip)
40BL-S(zip)
30BL(zip)
40BL-N(zip)
F10TL75(zip)
BN-65(zip)
JHP(zip)
40FNP(zip)
35FNP(zip)
MD-1.0X2.0(zip)
MD-1.0X3.0(zip)